韓國瑞巖三爪中空長行程液壓卡盤CAHL系列
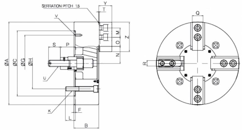
韓國瑞巖三爪中空長行程液壓卡盤CAHL系列是一款中空型超長行程動力卡盤, 三爪設計,適合夾持圓棒類等工件。產品特點:1、要夾緊的部位要求行程大的結構時使用。2、三爪中空標準卡盤形式上具有卡爪行程大的功能。3、中空設計,配合中空油缸工作,工件
韓國瑞巖三爪中空長行程液壓卡盤CAHL系列是一款中空型超長行程動力卡盤, 三爪設計,適合夾持圓棒類等工件。
產品特點:
1、要夾緊的部位要求行程大的結構時使用。
2、三爪中空標準卡盤形式上具有卡爪行程大的功能。
3、中空設計,配合中空油缸工作,工件可穿過卡盤。




