韓國瑞巖三爪中實長行程液壓卡盤CASL系列
韓國瑞巖三爪中實長行程液壓卡盤CASL系列是一款中實超長行程動力卡盤, 三爪設計,適合夾持圓棒類等工件。產品特點:1、要夾緊的部位要求行程大的結構時使用。2、三爪中實標準卡盤形式上具有卡爪行程大的功能。3、防塵性能好 :?中實設計
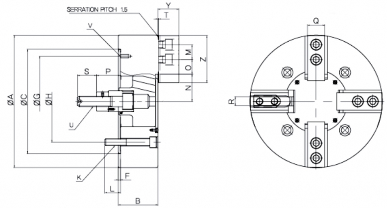
韓國瑞巖三爪中實長行程液壓卡盤CASL系列是一款中實超長行程動力卡盤, 三爪設計,適合夾持圓棒類等工件。
產品特點:
1、要夾緊的部位要求行程大的結構時使用。
2、三爪中實標準卡盤形式上具有卡爪行程大的功能。
3、防塵性能好 : 中實設計防止外界物質和碎屑進入卡盤。




