韓國瑞巖三爪浮動補償卡盤(SM-COD)系列
韓國瑞巖SEOAM三爪補償卡盤-浮動型(SM-COD)是一款浮動補償動力卡盤, 帶頂尖設計,適合加工長軸類工件。產品特點:1、浮動補償動力卡盤, 帶頂尖設計,適合加工長軸類工件。2、軸向尺寸有要求時使用彈簧頂尖,對軸心要求高精度時可使用死頂
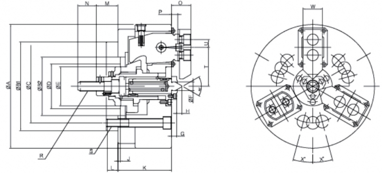
韓國瑞巖SEOAM三爪補償卡盤-浮動型(SM-COD)是一款浮動補償動力卡盤, 帶頂尖設計,適合加工長軸類工件。
產品特點:
1、浮動補償動力卡盤, 帶頂尖設計,適合加工長軸類工件。
2、軸向尺寸有要求時使用彈簧頂尖,對軸心要求高精度時可使用死頂尖。
3、是加工軸的專用卡盤。卡爪具有后拉夾緊的功能因此可得到高精密度。





