臺灣貝斯特高速中空回轉油缸TH系列
臺灣貝斯特高速中空回轉油缸TH系列是一款高速中空型回轉油壓缸,安裝時可由后端固鎖之;產品優勢:1、優選材質,耐用性強,高精度,高轉速;2、泄油孔配管務必單獨接回油壓槽,以避免產生背壓;3、高速,中空型回轉油壓缸,搭配中空液壓卡盤工作;4、后
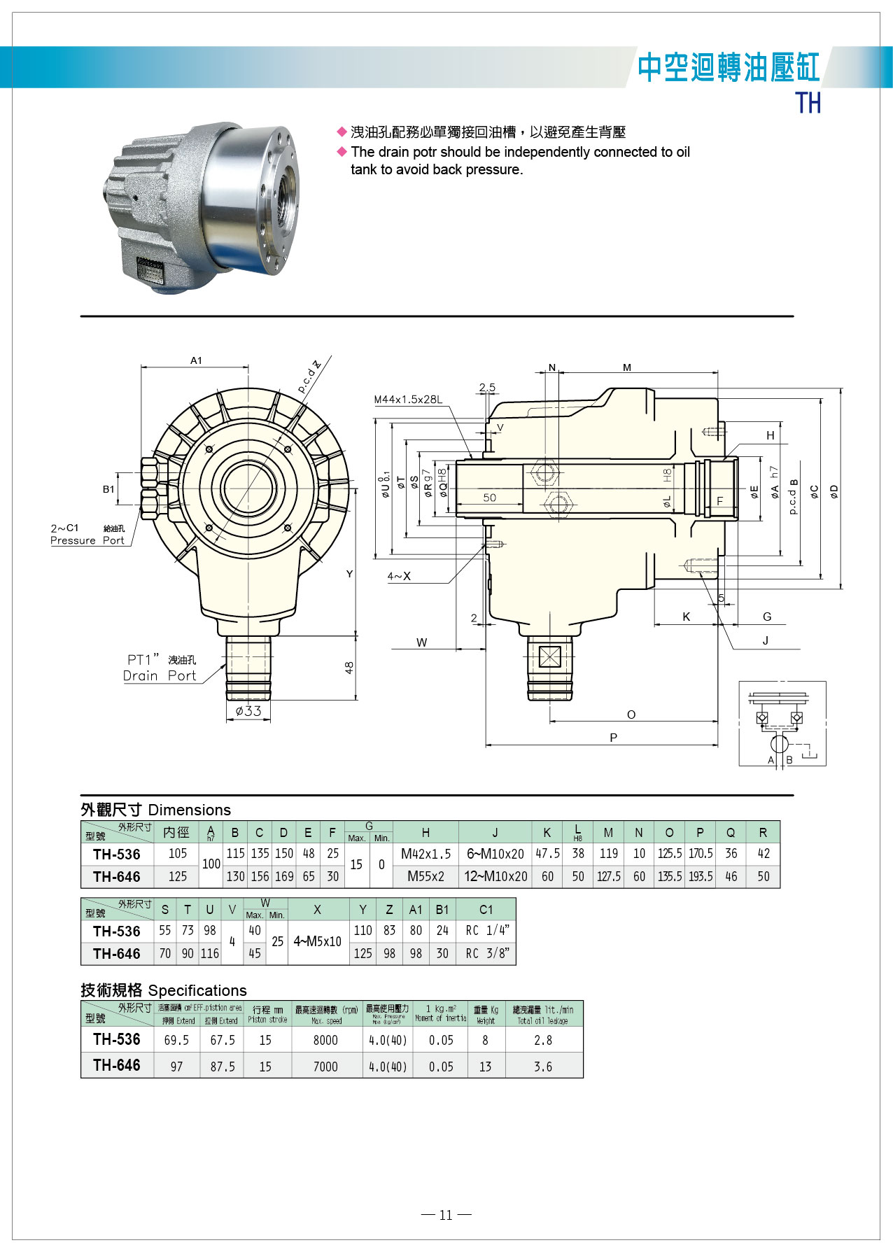
臺灣貝斯特高速中空回轉油缸TH系列是一款高速中空型回轉油壓缸,安裝時可由后端固鎖之;
產品優勢:
1、優選材質,耐用性強,高精度,高轉速;
2、泄油孔配管務必單獨接回油壓槽,以避免產生背壓;
3、高速,中空型回轉油壓缸,搭配中空液壓卡盤工作;
4、后鎖設計,安裝時可由后端固鎖之;
應用場景:主要應用于數控車床,CNC加工中心等機床設備夾持工件的作用。



